ТС-А-4401
Доступен для скачивания
краткий каталог продукции:
Термосопротивление предназначено для измерения температуры жидких и газообразных сред, неагрессивных к материалу корпуса датчика, а также твердых тел — нагревательных поверхностей и плит, нагревательных элементов и т.д.
Принцип действия и конструкция:
Термосопротивление преобразует изменение температуры в изменение электрического сопротивления постоянного тока.
Кабельный вывод обеспечивает удобство и быстроту монтажа, но ограничивает верхний предел измеряемых температур до +250°С.
Внимание! Максимальная температура места перехода «арматура-кабельный вывод» не более +200°С.
Кабельный вывод обеспечивает удобство и быстроту монтажа, но ограничивает верхний предел измеряемых температур до +250°С.
Внимание! Максимальная температура места перехода «арматура-кабельный вывод» не более +200°С.
Особенности:
- Термосопротивление надежно работает в условиях повышенной вибрации. Как правило, используется для контроля температуры экструдеров при производстве пластмасс и резиновых смесей
- Благодаря байонетному разъему термосопротивление может легко и быстро подключаться к оборудованию (монтаж и демонтаж без инструмента)
- Стандартная метрическая резьба М12×1,5 на ответной части байонета позволяет легко монтировать датчик в стандартное резьбовое отверстие в объекте измерения температуры
- Колпачок байонета под пружину ∅ 5 мм можно перемещать по пружине вращением, таким образом регулируется установочная длина термосопротивления
- Пружина из нержавеющей стали защищает провод от излома и обеспечивает более плотное прилегание монтажной части к объекту измерения
- Высокая точность измерений
- Высокая стабильность
- Близость характеристики к линейной зависимости
- Термосопротивление является неполным аналогом TW-E(PT100) (Autonics Corporation Корея)
Монтаж:
Для соединения термосопротивлений с измерительными приборами используются медные трехжильные провода сечением от 0,12 мм². Если к таким проводам предъявляются повышенные требования по температуре и помехозащищенности, рекомендуется применение соединительных проводов КМТФЭт-А-3, КМНН-А-3 (до +200°С) и КМСЭ-А-3, КМССЭ-А-3 (до +400°С). Для легкого и быстрого соединения проводов с повышенной (IP68) степенью защиты от внешних факторов может использоваться кабельный соединитель КСГ-68-2315.
Показатели надежности и условия эксплуатации:
Показатели надежности термосопротивлений при соблюдении условий эксплуатации в рабочем диапазоне температур:
– вероятность безотказной работы — не менее 0,95 за 40 000 ч;
– средний срок службы не менее 10 лет.
Устойчивость к внешним механическим воздействиям по ГОСТ Р 52931-2008 — группа N2.
Рабочие условия эксплуатации места перехода «арматура-кабельный вывод»:
– помещения с нерегулируемыми климатическими условиями и (или) навесы;
– относительная влажность не более 95% при +35°С и более низких температурах без конденсации влаги;
– атмосферное давление от 84 до 106,7 кПа.
– вероятность безотказной работы — не менее 0,95 за 40 000 ч;
– средний срок службы не менее 10 лет.
Устойчивость к внешним механическим воздействиям по ГОСТ Р 52931-2008 — группа N2.
Рабочие условия эксплуатации места перехода «арматура-кабельный вывод»:
– помещения с нерегулируемыми климатическими условиями и (или) навесы;
– относительная влажность не более 95% при +35°С и более низких температурах без конденсации влаги;
– атмосферное давление от 84 до 106,7 кПа.
Технические характеристики:
| Параметр | Значение |
| Количество чувствительных элементов
| 1
|
| Номинальная статическая характеристика
| Pt100
|
| Диапазон измеряемых температур | −60...+250°С |
| Условное давление | 2,5 МПа |
| Класс допуска датчика | B
|
| Допустимое отклонение (Т — абсолютное значение температуры измеряемой среды) | ±(0,3°С+0,02T)°С |
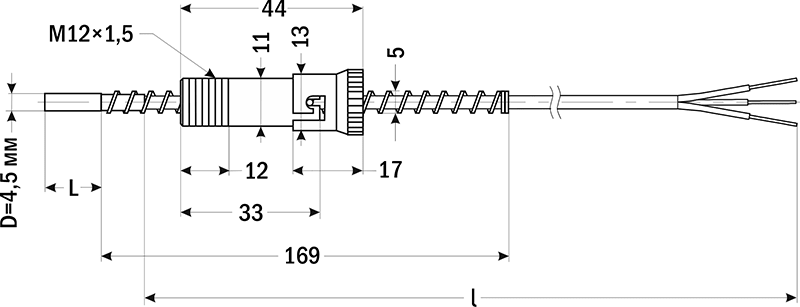
| Длина монтажной части (L) | 10 мм – стандарт
20 мм, 30 мм, 40 мм, 50 мм, 60 мм, 70 мм, 80 мм, 90 мм, 100 мм – по заказу |
| Диаметр монтажной части (D) | 4,5 мм |
| Присоединение | байонет М12×1,5 |
| Длина кабельного вывода (l) | 2000 мм – стандарт
до 50 000 мм – по заказу погрешность длины кабельного вывода ±3% |
| Тепловая инерция | ≤ 10...30 с |
| Сопротивление изоляции | ≥ 20 МОм |
| Схема подключения | 3-проводная |
| Материал корпуса датчика | нержавеющая сталь
|
| Провод | КМСЭ-А-3 |
| Сечение провода | 3×0,08 мм²
|
| Наружные размеры провода | ∅ 2,5 мм |
| Степень защиты
| IP54
|
| Габаритные размеры |
![]() |
Предельно допустимые отклонения согласно ГОСТ 6651 (справочная таблица):
| Тип | Класс допуска | Диапазон измерения | Допустимые отклонения |
| 50М | A | −50...+100°С | ±(0,15°С+0,02T) |
| B | −50...+200°С | ±(0,3°С+0,02T) | |
| C | −180...+200°С | ±(0,6°С+0,02T) | |
| Pt100
Pt1000 | A | −100...+450°C (с проволочным ЧЭ);
−60...+300°C (с пленочным ЧЭ) | ±(0,15°С+0,02T) |
| B | −196...+660°C (с проволочным ЧЭ);
−60...+500°C (с пленочным ЧЭ) | ±(0,3°С+0,02T) | |
| C | −196...+660°C (с проволочным ЧЭ);
−60...+600°C (с пленочным ЧЭ) | ±(0,6°С+0,02T) |
Диапазон измеряемых температур зависит от конструктивного исполнения датчика и материала защитной арматуры.
Т — абсолютное значение температуры измеряемой среды, °С.
Т — абсолютное значение температуры измеряемой среды, °С.

