ARG1-V-22K
Доступен для скачивания
краткий каталог продукции:
Антивандальный металлический переключатель с ключом ARG1-V-22K предназначен для управления различным оборудованием в промышленности, в сфере обслуживания, системах контроля доступа и безопасности. Переключатель можно использовать в широком температурном диапазоне, в условиях повышенных нагрузок и при высокой вероятности повреждения от условий эксплуатации или в результате умышленных действий. Переключатель с ключом подходит для управления особо важным оборудованием или оборудованием, к управлению которым допущен ограниченный круг лиц с определенным правом доступа.
Прежнее название переключателя: SD16-V-22K
Особенности:
- Монтаж в плоские панели толщиной до 14 мм, фиксация стопорной гайкой
- Надежная защита от неблагоприятных условий среды, соответствие стандартам пылевлагозащиты IP54 и защиты от механических воздействий IK08
- Пружинный возвратный механизм
- Два ключа в комплекте
- Выемка ключа во всех положениях переключателя
- Для защиты пустой замочной скважины переключателя от загрязнения рекомендуется использовать крышку КЗП-22Б, КЗП-22БП
- Для быстрого и удобного подключения кнопки без пайки рекомендуется использовать коннектор ПИН-22П (не входит в комплект, необходимо заказывать отдельно)

Технические характеристики:
| Параметр | Значение |
| Количество положений
| 2 или 3 |
| Контакты | 1 или 2 переключающих |
| Исполнение
| С фиксацией или с самовозвратом |
| Коммутационная способность | ~5 А, 250 В |
| Присоединение
| Пайка или плоские изолированные
разъемы НПИ-М2-0528 2,8×0,5 мм |
| Материал корпуса | Нержавеющая сталь |
| Монтаж | В отверстие панели |
| Диаметр монтажного отверстия | 22 мм |
| Толщина панели | ≤ 14 мм |
| Сечение присоединяемых проводов | ≤ 2,5 мм² |
| Степень пылевлагозащиты* | IP54 |
| Степень защиты от внешних механических воздействий*
| IK08
|
| Температурный диапазон применения | −20...+50°С |
| Электрическая износостойкость | ≥ 50 000 циклов |
| Механическая износостойкость |
≥ 500 000 циклов
|
| Габаритные размеры выступающей части | ∅25×3 мм |
| Максимальные габаритные размеры | 29×25×39 мм |
| Монтажная глубина** | 37 мм |
| Вес (без ключа) | 38 г |
* Со стороны лицевой панели.
** Без учета ответных разъемов.
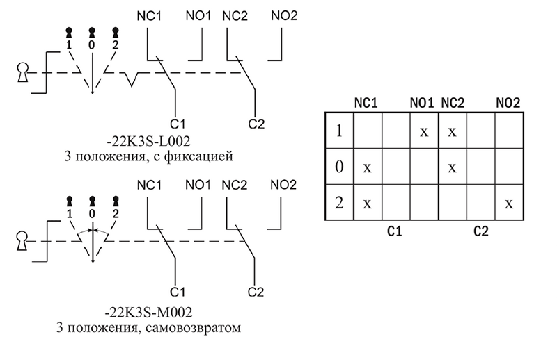
Модификации:** Без учета ответных разъемов.
| Модификация | Количество положений | Исполнение | Контакты
| Выемка ключа
|
| -22K2S-L001-U-S
-22K2S-M001-U-S | 2 | с фиксацией
с самовозвратом | 1 переключающий | в двух положениях
|
| -22K3S-L002-U-S
-22K3S-M002-U-S | 3 | с фиксацией
с самовозвратом | 2 переключающих | в трех положениях
|
| Схема работы и подключения
|
|
| Схема расположения контактов
|
![]() |
| Габаритные размеры |
![]() |
| Схема установки
|
![]() |
Версия: 2026-03-03-СДГ



