ARHT-01C-N2
Доступен для скачивания
краткий каталог продукции:
Датчик температуры и влажности ARHT-01C к приборам АРГО-D, ПТВЛ-610
Доступны к заказу модификации датчика без кабеля и с кабелем небходимой длины Технические характеристики:
Версия: 2022-09-20-ЛВС
Доступны к заказу модификации датчика без кабеля и с кабелем небходимой длины Технические характеристики:
| Параметр
| Значение | |
| Диапазон измеряемых температур | −40...+80°С | |
| Диапазон измеряемой влажности | 0...100%RH | |
| Погрешность измерения температуры | ±0,5°С
| |
| Погрешность измерения влажности
| ±4,5%RH | |
| Длина кабеля
| 0...50 м | |
| Материал датчика | Пластик | |
| Пылевлагозащита | IP30 | |
| Тип чипа датчика | SHT30 | |
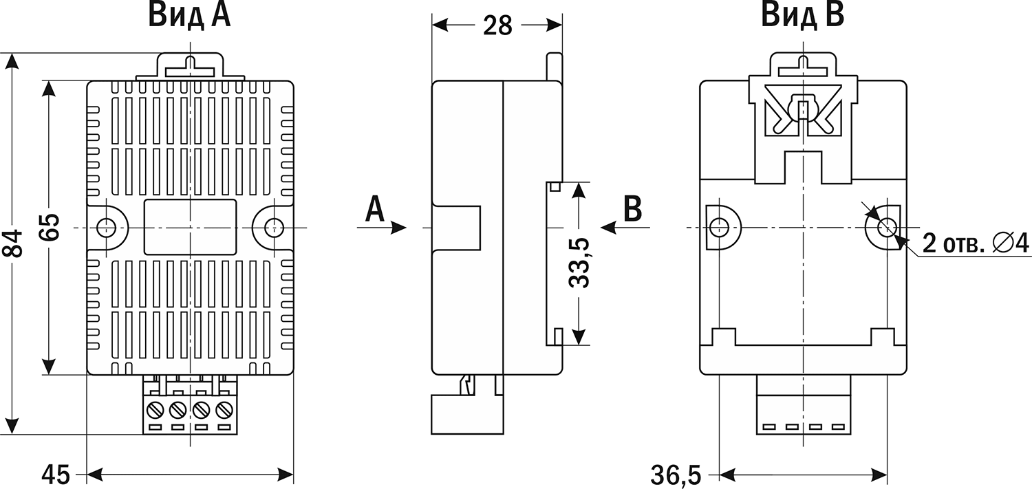
| Габаритные размеры | 84×45×28 мм
| |
| Габаритные размеры |
|
| Схема подключения
|
![]() |

