ARP-XY
Доступен для скачивания
краткий каталог продукции:
Пневмораспределители ARP-XY3, -XY5, -XY7 относятся к направляющей аппаратуре и служат для управления направлением движения потоков сжатого воздуха. Управление осуществляется за счет переключения схемы соединения внутренних каналов распределителя с входными и выходными присоединительными отверстиями.
Особенности:
- Может быть оснащен одной катушкой (моностабильный) или двумя катушками (бистабильный)
- Три серии с разной толщиной модуля: 10, 15 и 18 мм
- Возможность ручного переключения
- Пониженное энергопотребление
- Несколько пневмораспределителей могут быть объединены в один блок
- Возможность установки на монтажные плиты:
– ARP-MXY3 (для ARP-XY3)
– ARP-MXY5 (для ARP-XY5)
– (для ARP-XY7)
Описание прибора: Для управления пневмоцилиндрами двустороннего действия применяют пневмораспределители типа 5/2 (5-линейные, 2-позиционные), имеющие 5 каналов ввода-вывода и 2 положения золотника.
Моностабильный: в исходном положении воздух подается через порт питания P на рабочий порт А, при этом рабочий порт В соединен с портом выхлопа S. При подаче питания на катушку порт питания Р переключается на рабочий порт В, а рабочий порт А соединяется с портом выхлопа R. При снятии питания золотник возвращается в исходное положение.
Бистабильный: при подаче питания на первую катушку воздух подается через порт питания P на рабочий порт А, при этом рабочий порт В соединен с портом выхлопа S. При снятии питания золотник остается в том же положении. При подаче питания на вторую катушку порт питания Р переключается на рабочий порт В, а рабочий порт А соединяется с портом выхлопа R. При снятии питания золотник остается в том же положении.
Моностабильный: в исходном положении воздух подается через порт питания P на рабочий порт А, при этом рабочий порт В соединен с портом выхлопа S. При подаче питания на катушку порт питания Р переключается на рабочий порт В, а рабочий порт А соединяется с портом выхлопа R. При снятии питания золотник возвращается в исходное положение.
Бистабильный: при подаче питания на первую катушку воздух подается через порт питания P на рабочий порт А, при этом рабочий порт В соединен с портом выхлопа S. При снятии питания золотник остается в том же положении. При подаче питания на вторую катушку порт питания Р переключается на рабочий порт В, а рабочий порт А соединяется с портом выхлопа R. При снятии питания золотник остается в том же положении.
Технические характеристики:
| Параметр
| ARP-XY3
| ARP-XY5
| ARP-XY7
|
| Тип распределителя
| 5/2 (5-линейный, 2-позиционный)
| ||
| Рабочая среда | Очищенный воздух (тонкость очистки 40 мкм) | ||
| Рабочая температура | −10...+50°С | ||
| Рабочее давление | 0,15...0,7 МПа | ||
| Пропускная способность
| 180 л/мин | 610 л/мин
| 810 л/мин
|
| Порт питания, рабочий порт | M5
| G⅛"
| G¼"
|
| Порт выхлопа | G⅛" | ||
| Максимальная частота срабатывания | 10 Гц
| 5 Гц
| 5 Гц
|
| Катушка
| AR-XY-10A, 1 Вт (DC), IP65
| ||
| Питание | =24 В, =12 В | ||
| Наработка на отказ | ≥ 30 млн циклов | ||
Модификации:
| Модель
| Тип
| Пневматическая
схема | Присоединение
| Толщина модуля, мм
| Габаритные размеры, мм
| |
| Порт питания, рабочий порт
| Порт выхлопа
| |||||
| ARP-XY31
| моностабильный
| ![]() | M5 | M5 | 10 | 31×77×11,5 |
| ARP-XY51
| G⅛"
| G⅛" | 15 | 32×95×16,5 | ||
| ARP-XY71
| G¼" | G⅛" | 18 | 35×115,5×20 | ||
| ARP-XY32 | бистабильный
| ![]() | M5 | M5 | 10 | 31×110×11,5 |
| ARP-XY52 | G⅛" | G⅛" | 15 | 31,5×125,5×16,5 | ||
| ARP-XY72 | G¼" | G⅛" | 18 | 34,5×142×19,5 | ||
Форма заказа ARP-XYab-c-d:
| Позиция
| Название позиции
| Обозначение | Расшифровка |
| a
| Серия
| 3
| Толщина модуля 10 мм
|
| 5
| Толщина модуля 15 мм
| ||
| 7
| Толщина модуля 18 мм
| ||
| b
| Управление
| 1
| Одностороннее
(одна катушка, моностабильный) |
| 2
| Двустороннее
(две катушки, бистабильный) | ||
| c
| Присоединение (рабочий порт)
| М5
| М5
|
| G1/8
| G⅛"
| ||
| G1/4 | G¼" | ||
| d
| Питание
| 24
| =24 В
|
| 12
| =12 В
|
Расшифровка обозначения на примере пневмораспределителя ARP-XY51-G1/8-24:
ARP-XY – модель пневмораспределителя.
5 – серия (толщина модуля 15 мм).
1 – одна катушка.
G1/8 – присоединение рабочего порта G⅛".
24 – питание =24 В.
ARP-XY – модель пневмораспределителя.
5 – серия (толщина модуля 15 мм).
1 – одна катушка.
G1/8 – присоединение рабочего порта G⅛".
24 – питание =24 В.
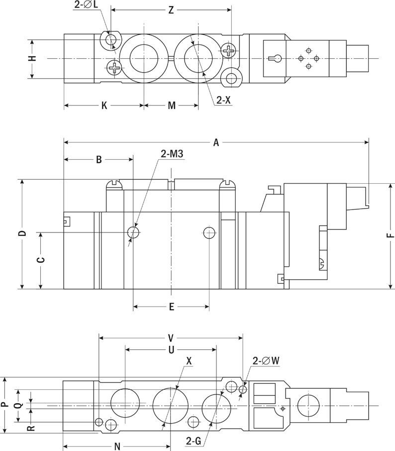
| Габаритные размеры
Моностабильный ARP-XY31, -51, -71 |
![]() |
| Размеры, мм
| Модель
| ||
| ARP-XY31
| ARP-XY51
| ARP-XY71
| |
| A | 77 | 95 | 115,5 |
| B | 17,5 | 20 | 29,5 |
| C | 4 | 16,5 | 7,2 |
| D | 22 | 32,5 | 40 |
| E | 10 | 22,5 | 20 |
| F | 31 | 32 | 35 |
| G | М5 | G⅛"
| G⅛" |
| H | 9 | 11,5 | 14 |
| K | 17 | 24,5 | 31 |
| X | М5 | G⅛"
| G¼" |
| ∅L | 2 | 3 | 4 |
| M | 10,5 | 16,5 | 19 |
| N | 22,5 | 32,5 | 39,5 |
| P | 11,5 | 16,5 | 20 |
| Q | 6 | 10 | 12 |
| R | 2 | 1,5 | 1,5 |
| U | 19,5 | 27 | 36 |
| V | 25 | 43 | 51 |
| ∅W | 1,5 | 2 | 2 |
| Z | 21 | 37 | 42 |
| Вес, г | 50 | 67 | 101 |
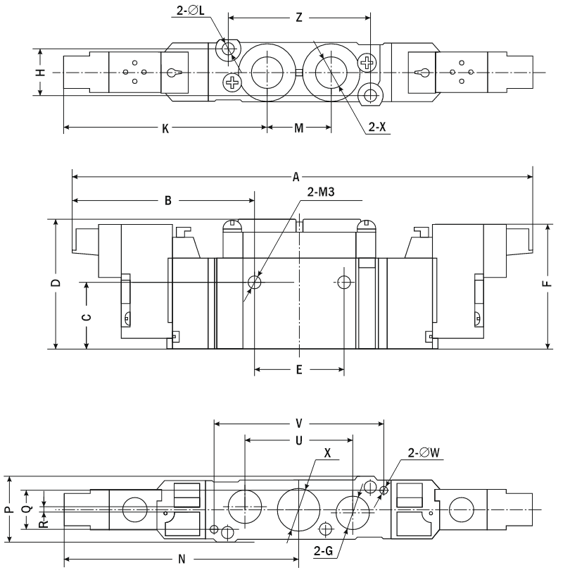
| Габаритные размеры
Бистабильный ARP-XY32, -52, -72 |
![]() |
| Размеры, мм
| Модель
| ||
| ARP-XY32
| ARP-XY52
| ARP-XY72
| |
| A | 110 | 125,5 | 142 |
| B | 50,5 | 45 | 50 |
| C | 4 | 15,5 | 7 |
| D | 22 | 32,5 | 40 |
| E | 9 | 22 | 20 |
| F | 31 | 31,5 | 34,5 |
| G | М5 | G⅛" | G⅛" |
| H | 8 | 12 | 13,5 |
| K | 49,5 | 53,5 | 51,5 |
| X | М5 | G⅛" | G¼" |
| ∅L | 2 | 3 | 4 |
| M | 10 | 16 | 19 |
| N | 44 | 61,5 | 70,5 |
| P | 11,5 | 16,5 | 19,5 |
| Q | 5,5 | 9,5 | 12 |
| R | 1,5 | 2 | 2 |
| U | 19,5 | 27 | 36 |
| V | 25 | 43 | 51 |
| ∅W | 1 | 2 | 2 |
| Z | 21 | 36 | 41,5 |
| Вес, г | 65 | 83 | 118 |
Версия: 2022-12-22-ЛВС
| Документ | Дата обновления |
| Паспорт на ARP-XY | 01.11.2025 |




