Omix A1-1-K-RS485-N2
Доступен для скачивания
краткий каталог продукции:
Амперметр однофазный щитовой Omix A1-1-K-RS485-N2 предназначен для измерения и индикации силы тока в однофазных сетях переменного тока, а также для сигнализации о выходе измеренных значений за установленные пределы и передачи измеренных значений по протоколу Modbus RTU
Особенности:
Особенности:
-
Возможность подключения трансформатора тока
-
Может выдерживать длительные (до нескольких лет) перегрузки до 6 А
-
Передача измеренных значений по протоколу Modbus RTU осуществляется с помощью целого числа c фиксированной запятой (тип int). Расчет измеренного значения осуществляется пользователем самостоятельно с учетом заданного количества знаков после запятой. При использовании трансформатора тока по протоколу Modbus передается измеренное значение с учетом коэффициента трансформации
- 4 типоразмера корпуса
| Параметр | Значение |
| Диапазон измерения силы тока
| ~0...5 А (напрямую)
~0...9999 А (через трансформатор) |
| Погрешность | ±(0,5% + 1 е.м.р.) |
| Дискретность измерения силы тока
| 1; 0,1; 0,01; 0,001 |
| Скорость измерения | 3 изм./с |
| Потребляемая мощность
| < 3 ВА
|
| Питание | ≅85...264 В |
| Коммутационная способность реле
| ~2 A, 250 B
|
| Интерфейс | RS-485 Modbus RTU |
| Скорость передачи данных
| 1200...9600 бит/с
|
| Условия эксплуатации
| −10...+50°С, ≤ 85%RH
|
| Условия хранения | −40...+70°С, ≤ 85%RH |
| Высота символов |
14 мм
|
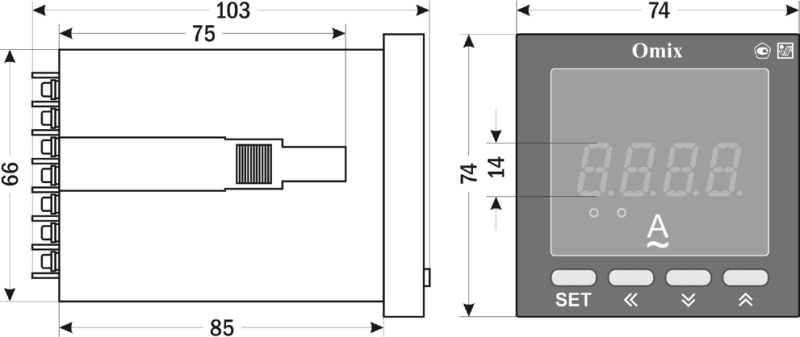
| Габаритные размеры | Р77: 74×74×103 мм
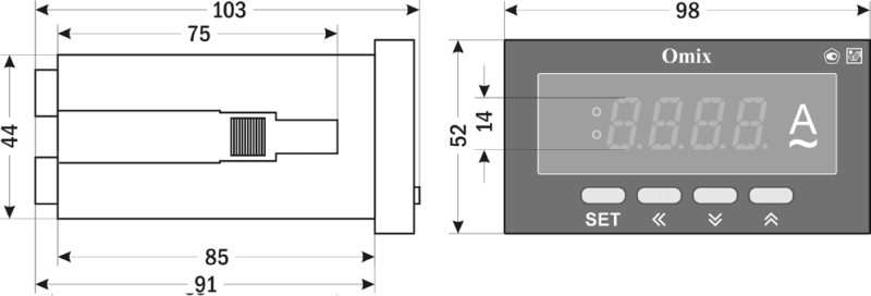
Р94: 52×98×103 мм Р99: 98×98×103 мм Р1212: 118×118×103 мм |
| Размер врезного отверстия | Р77: 67×67 мм
Р94: 45×91 мм Р99: 91×91 мм Р1212: 111×111 мм
|
| Вес | Р77: 251 г
Р94: 220 г Р99: 273 г Р1212: 341 г |
| Габаритный чертеж
|
![]() |
| P77
|
![]() |
| P94
|
![]() |
| P99
|
![]() |
| P1212
|
Версия: 2020-10-12-КВА
| Документ | Дата обновления |
| Паспорт на Omix a1-1-K-RS485 | 14.01.2024 |




