NTC-A-1073
Доступен для скачивания
краткий каталог продукции:
Датчик предназначен для измерения температуры в системах управления отоплением, вентиляцией и кондиционированием воздуха HVAC (от англ. Heating, Ventilation & Air Conditioning), подключается к термостатам и терморегуляторам, например ARCOM-N37, ART-D2, ТРМ-900, RTC 70F, ARCOM-D2, ARCOM-N472, ARCOM-W793, ARCOM-W461, ARCOM-N371.
Прежнее название датчика NTC-A-1073: NTC 0188-2-К
Системы вентиляции не включены в номенклатуру продукции и услуг (работ), в отношении которых законодательными актами Российской Федерации предусмотрена их обязательная сертификация. Вводится в действие Постановлением Госстандарта России от 30 июля 2002 г. N 64 (в ред. Постановления Госстандарта РФ от 08.01.2003 N3, Поправок, утв. Госстандартом РФ). Соответственно, устройства, которые используются для измерения параметров в данных системах, не подлежат обязательной сертификации.
Принцип действия: NTC-датчик (термистор, терморезистор, термометр сопротивления) – это полупроводниковый прибор, электрическое сопротивление которого изменяется в зависимости от температуры. NТС-датчики имеют отрицательный температурный коэффициент сопротивления (ТКС) (Negative Temperature Coefficient – отрицательный температурный коэффициент), т.е. сопротивление уменьшается при увеличении температуры и увеличивается при ее уменьшении.
Особенности:
- Высокая чувствительность
- Влагозащищенный IP68
-
Низкая стоимость по сравнению с термосопротивлениями
-
Оптимален для установки в арматуру от термодатчиков (см. фото)
-
Увеличение длины кабельного вывода до 100 м методом пайки стандартным двужильным медным проводом (например, ШВВП 2×0,7 мм²) практически не влияет на точность измерений
- Датчик совместим с коммутационной головкой ГДТ -35-27-АР.
Технические характеристики:
| Параметр | Значение |
| Диапазон измерения температуры
| −40...+125°С
|
| Погрешность
| ±1%
|
| Тип
| NTC 10k ±1% 3950
|
| Сопротивление при +25°С
| 10 кОм
|
| Изменение сопротивления
| 0,35...336 кОм
(0,35 кОм соответствует верхнему пределу диапазона измерения температуры: +125°С, 336 кОм – нижнему: −40°С) |
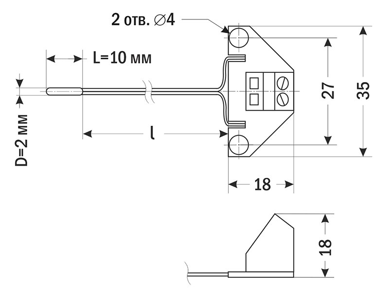
| Длина монтажной части (L)
| 10 мм
|
| Диаметр монтажной части (D)
| 2 мм
|
| Длина кабельного вывода (l)
| 140 мм – стандарт
до 100 000 мм – по заказу погрешность длины кабельного вывода ±3% |
| Схема подключения
| 2-проводная
|
| Подключение
| винтовые клеммы
|
| Материал монтажной части
| эпоксидная смола
|
| Степень защиты
| IP68
|
| Габаритные размеры |
![]() |
Версия: 2022-10-01-ЛВС

