КПР-2
Доступен для скачивания
краткий каталог продукции:
Кран шаровой КПР-2 предназначен для управления потоком рабочей среды в трубопроводе
Особенности:
Модификации:
Расшифровка обозначения на примере крана КПР-2-015 XYZ:
КПР-2 – модель крана.
015 – диаметр условного прохода в мм.
X – присоединение: G – трубная резьба.
Y – материал корпуса: S – нержавеющая сталь.
Z – материал уплотнения: P – PTFE.
Версия: 2024-01-26-ЛВС
Особенности:
- Угол полного поворота: 90°
- Долгий срок службы
- Внимание! Если у крана и привода различаются посадочные размеры, то для соединения потребуется монтажный комплект и переходники (не входят в комплект поставки). Менеджеры подбирают их дополнительно при заказе
Для защиты прибора от попадания инородных частиц необходима установка фильтра механической очистки перед входным отверстием крана
Для герметизации резьбовых/фланцевых металлических соединений рекомендуется использование анаэробных герметиков
Для герметизации резьбовых/фланцевых металлических соединений рекомендуется использование анаэробных герметиков
| Параметр
| Значение
|
| Рабочая среда | Пар, вода, горячая вода, воздух, инертные газы, природный газ, масла, азотная кислота, уксус
|
| Материал | Корпуса: нержавеющая сталь
Уплотнения: PTFE |
| Температура рабочей среды | −20...+150°С |
| Рабочее давление | 0,0…6,9 МПа (0,0…1,6 МПа — для пара)
|
| Диаметр условного прохода | 15...100 мм |
| Присоединение крана
| Резьбовое G½"...G4" |
| Стандарт присоединения крана к приводу | ISO5211 |
Модификации:
| Модель
| Ду, мм
| Kv, м³/ч
| Присоединение
| Посадочный размер, мм
| Вес, г
|
| КПР-2-015 GSP
| 15
| 20
| ½"
| 9×9
| 300 |
| КПР-2-020 GSP | 20
| 38
| ¾"
| 9×9
| 390 |
| КПР-2-025 GSP | 25
| 69
| 1"
| 11×11
| 720
|
| КПР-2-032 GSP | 32
| 93
| 1¼"
| 11×11
| 1030
|
| КПР-2-040 GSP | 40
| 144
| 1½"
| 14×14
| 1870
|
| КПР-2-050 GSP | 50
| 229
| 2"
| 14×14
| 1770
|
| КПР-2-065 GSP | 65
| 404
| 2½"
| 17×17
| 4010
|
| КПР-2-080 GSP | 80
| 573
| 3"
| 17×17
| 5350
|
| КПР-2-100 GSP | 100
| 936
| 4"
| 17×17 | 8420
|
КПР-2 – модель крана.
015 – диаметр условного прохода в мм.
X – присоединение: G – трубная резьба.
Y – материал корпуса: S – нержавеющая сталь.
Z – материал уплотнения: P – PTFE.
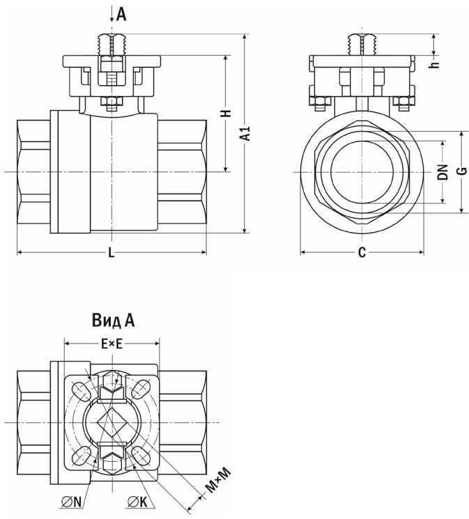
Таблица выбора привода для крана КПР-2
| Габаритные размеры
|
|
| Модель
| Размеры, мм
| ||||||||||
| G
| DN
| A1
| C
| E×E
| H
| h
| L
| M×M | ∅ N
| ∅ K
| |
| КПР-2-015 | ½" | 15 | 66
| 36
| 44,5×44,5
| 35
| 13
| 63
| 9×9
| 36 (F03)
| 42 (F04)
|
| КПР-2-020 | ¾" | 20 | 77
| 40,5
| 44,5×44,5
| 45
| 12
| 70
| 9×9
| 36 (F03)
| 42 (F04)
|
| КПР-2-025
| 1"
| 25
| 87
| 50
| 51×51
| 53
| 14
| 79,5
| 11×11
| 42 (F04)
| 50 (F05)
|
| КПР-2-032
| 1¼"
| 32
| 106
| 61
| 51×51
| 61
| 16
| 96
| 11×11
| 42 (F04) | 50 (F05)
|
| КПР-2-040
| 1½" | 40
| 123
| 68
| 70×70
| 68
| 16
| 106
| 14×14
| 50 (F05)
| 70 (F07)
|
| КПР-2-050
| 2"
| 50
| 140
| 87,5
| 68,5×68,5
| 78
| 17
| 120
| 14×14
| 50 (F05)
| 70 (F07)
|
| КПР-2-065 | 2½"
| 65
| 176
| 116
| 96×96
| 98
| 21
| 145
| 17×17
| 70 (F07)
| 102 (F10)
|
| КПР-2-080 | 3"
| 80
| 193
| 134
| 95×95
| 105
| 20,5
| 167
| 17×17
| 70 (F07)
| 102 (F10)
|
| КПР-2-100 | 4"
| 100
| 225
| 163
| 95,5×95,5
| 125
| 21
| 203
| 17×17
| 70 (F07)
| 102 (F10)
|
Версия: 2024-01-26-ЛВС
| Документ | Дата обновления |
| Паспорт на КПР-2 | 22.06.2025 |
