ПВР-6125
Доступен для скачивания
краткий каталог продукции:
Пневматический роликовый вибратор ПВР-6125 предназначен для создания механических колебаний, решающих задачи улучшения текучести сыпучих материалов. Производимая роликом высокочастотная вибрация повышенной мощности предотвращает уплотнение материала в трубопроводах и переходах между транспортным оборудованием, облегчает условия опорожнения резервуаров с трудносыпучими и влажными материалами, а также нормализует процессы нагнетания бетонной смеси.
Принцип действия основан на перемещении по желобу внутри корпуса стального ролика под воздействием сжатого воздуха, что создает вибрацию.
Особенности:
Принцип действия основан на перемещении по желобу внутри корпуса стального ролика под воздействием сжатого воздуха, что создает вибрацию.
- Корпус из специального алюминиевого сплава
- Регулируемая частота и амплитуда удара
- Простая и надежная конструкция
- Малые размеры и вес
- Длительный срок службы
| Модель
| Частота колебаний в минуту
| Сила вибрации, Н
| Потребление воздуха, л/мин
| ||||||
| 0,2 МПа
| 0,4 МПа | 0,6 МПа | 0,2 МПа | 0,4 МПа | 0,6 МПа | 0,2 МПа | 0,4 МПа | 0,6 МПа | |
| ПВР-6125-50 | 25 150
| 31 150
| 36 150
| 1175
| 2955
| 4255
| 155
| 145
| 195
|
| ПВР-6125-65 | 19 150
| 21 150
| 26 150
| 2755
| 4855
| 6155
| 215
| 310
| 415
|
| ПВР-6125-80 | 15 650
| 18 650
| 19 150
| 3150
| 6125
| 7450
| 450
| 435
| 575
|
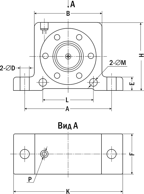
| Габаритные размеры |
![]() |
| Модель | Размер, мм
| Габаритные размеры, мм
| Вес, г
| |||||||||
| A
| B
| D | E | F
| H | K
| L
| M
| P
| |||
| ПВР-6125-50 | 68
| 50
| 7
| 12
| 29
| 49,5 | 86
| 40
| 7
| ⅛"
| 49,5×86×29 | 210
|
| ПВР-6125-65 | 90
| 65
| 9
| 16
| 37
| 65 | 111
| 50
| 9
| ¼"
| 65×111×37 | 530
|
| ПВР-6125-80 | 104
| 82
| 9
| 16
| 43
| 79,5 | 129
| 60
| 9
| ¼" | 79,5×129×43 | 1000
|
Версия: 2022-12-27-ЛВС
| Документ | Дата обновления |
| Паспорт на ПВР | 28.12.2022 |

