AR-XB2-BG
Доступен для скачивания
краткий каталог продукции:
Переключатель с ключевым доступом AR-XB2-BG предназначен для управления особо важным оборудованием или оборудованием, к управлению которым допущен ограниченный круг лиц с определенным правом доступа.
Изделия применяются в шкафах автоматики, распределительных щитах, пультах и постах управления, на станках и других производственных машинах.
Изделия применяются в шкафах автоматики, распределительных щитах, пультах и постах управления, на станках и других производственных машинах.
Особенности:
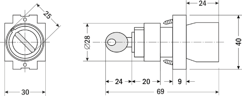
- Монтаж в щит с помощью двух распорных самозаземляющихся винтов (в комплекте)
- Переключатель можно укомплектовать дополнительными контактами AR-ZB2
- Допускается сборка блок-контактов не более, чем в три уровня (с фиксацией) или два уровня (с самовозвартом)
Технические характеристики:
| Параметр
| Значение
| |
| с фиксацией | с самовозвратом | |
| Количество положений
| 2
| |
| Контакты
| 1НО+1НЗ, 1НО+2НЗ, 2НО+1НЗ, 1НО+3НЗ, 3НО+1НЗ,
2НО+2НЗ,1НО+4НЗ, 4НО+1НЗ, 2НО+3НЗ, 3НО+2НЗ, 1НО+5НЗ, 5НО+1НЗ, 2НО+4НЗ, 4НО+2НЗ, 3НО+3НЗ | 1НО+1НЗ, 1НО+2НЗ,
2НО+1НЗ, 1НО+3НЗ, 3НО+1НЗ, 2НО+2НЗ |
| Максимальное число контактов | 6 | 4 |
| Коммутационная способность | ~10 A, 400 В
| |
| Механическая износостойкость | 0,5 млн циклов | |
| Материал | Пластмасса/металл | |
| Степень пылевлагозащиты | IP54 (со стороны лицевой панели) | |
| Диаметр монтажного отверстия
| 22 мм
| |
| Условия эксплуатации и хранения | −35...+70°С, 20...90%RH | |
| Габаритные размеры | 40×30×69 мм | |
Модификации:
| Модель | Количество
положений | Выемка ключа | Фиксация |
| AR-XB2-BG25
| 2
| В одном положении
| С фиксацией |
| AR-XB2-BG25-M
| С самовозвратом | ||
| AR-XB2-BG45
| В двух положениях
| С фиксацией |
Выемка ключа в одном положении. Вставив ключ оператор может перевести переключатель в правое положение, ключ при этом остается внутри. Вынуть ключ возможно, только вернув переключатель в левое положение.
Выемка ключа в двух положениях. Ключ можно вставить и вынуть в обоих положениях переключателя.
Выемка ключа в двух положениях. Ключ можно вставить и вынуть в обоих положениях переключателя.
| Габаритные размеры |
![]() |
| Схемы подключения
| ||
AR-XB2-BG25 с фиксацией |
AR-XB2-BG25-M с самовозвратом |
AR-XB2-BG45 с фиксацией |
| Монтаж в щит |
![]() |


