ПР322-К5
Доступен для скачивания
краткий каталог продукции:
Пневмокнопка утопленная ПР322-К5 предназначена для распределения воздушных потоков, управления исполнительными устройствами пневмосистем.
Пневмокнопки относятся к направляющей аппаратуре и служат для управления направлением движения потоков сжатого воздуха. Управление осуществляется за счет переключения схемы соединения внутренних каналов распределителя с входными и выходными присоединительными отверстиями.
Технические характеристики:
Описание работы:
Версия: 2024-11-14-СДГ
Пневмокнопки относятся к направляющей аппаратуре и служат для управления направлением движения потоков сжатого воздуха. Управление осуществляется за счет переключения схемы соединения внутренних каналов распределителя с входными и выходными присоединительными отверстиями.
Технические характеристики:
| Параметр | Значение |
| Тип распределителя
| 3/2 (3-линейный, 2-позиционный), нормально закрытый |
| Рабочая среда | Очищенный воздух (тонкость очистки 25 мкм) |
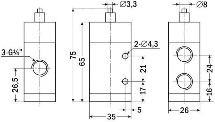
| Присоединение | G¼" |
| Рабочее давление | 0…0,8 МПа |
| Рабочая температура | 0…+60°C |
| Исполнение | С самовозвратом |
| Цвет
| Красный или зеленый
|
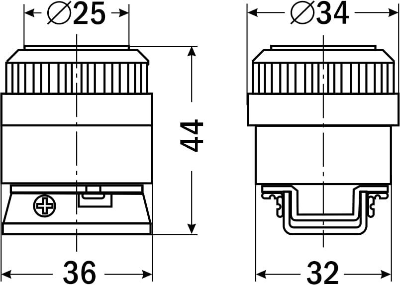
| Габаритные размеры | 36×34×109 мм |
| Вес | 185 г |
| Пневматическая схема
|
Расшифровка обозначений: Р – порт питания; А – рабочий порт; R – порт выхлопа. |
Для управления пневмоцилиндрами одностороннего действия используются пневмокнопки ПР322-К5, имеющие возможность коммутировать линии питания, потребителя и выхлопа. Такие пневмокнопки обозначаются как 3/2 (3-линейные, 2-позиционные). Это означает, что они имеют 3 канала ввода-вывода: вход (от источника воздуха), выход (для подключения рабочего органа) и выхлоп (для выброса воздуха при обратном ходе рабочего органа) и 2 возможных положения золотника.
В исходном положении порт питания P перекрыт, рабочий порт А соединен с портом выхлопа R. При нажатии на кнопку порт питания Р соединяется с рабочим портом А, а порт выхлопа R перекрывается. При снятии нажима золотник под действием пружины возвращается в исходное положение.
| Габаритные размеры |
![]() |
![]() |
Версия: 2024-11-14-СДГ
| Документ | Дата обновления |
| Паспорт на ПР322-К5 | 24.12.2025 |


