ШП-А
Доступен для скачивания
краткий каталог продукции:
Штуцер переходной ШП-А предназначен для подсоединения манометрических приборов по месту эксплуатации
Технические характеристики:
Версия: 2015-04-08-НТА
Технические характеристики:
| Параметр | Значение | ||
| Внутренняя резьба
| G½" | М20×1,5 | G¼" |
| Внешняя резьба
| М20×1,5 | G½" | G½" |
| Материал
| Латунь
| ||
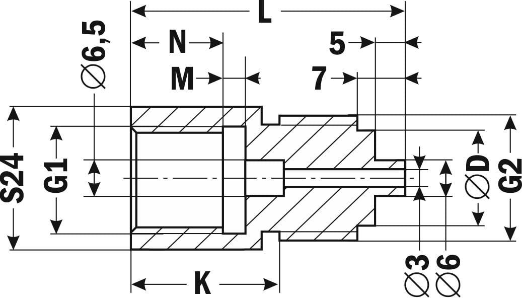
| Габаритный чертеж
|
![]() |
|
Модификация
| Размеры, мм
| ||||||
| D
| G1
| G2
| K
| L
| M
| N
| |
| ШП-А (G½-М20) | 16
| G½" | М20×1,5 | 24
| 47,5
| 3
| 16
|
| ШП-А (G¼-G½) | 17,5
| G¼" | G½" | 16,5
| 40,5
| 2
| 9
|
| ШП-А (М20-G½) | 16
| М20×1,5 | G½" | 23
| 47,5
| 4
| 15
|
Версия: 2015-04-08-НТА

