ТП-А-6001
Доступен для скачивания
краткий каталог продукции:
Термопара предназначена для измерения температуры жидких и газообразных сред, неагрессивных к материалу корпуса датчика
Прежнее название термопары ТП-А-6001: ТП-А-2388-05
Принцип действия и конструкция: Термопара представляет собой два термоэлектрода из различных металлов, спаянных между собой. При помещении одного спая (рабочего) в измеряемую среду вследствие разницы температур спаев по термоэлектродам протекает ЭДС, прямо пропорциональная разности этих температур.
Внимание! Максимальная температура места перехода «арматура-кабельный вывод» не более +500°С. Особенности:
- Термопара используется для контроля температуры в муфельных печах, котельных установках, различных печах обжига, термообработки, плавки и др.
- Цепочка, соединяющая крышку с коммутационной головкой, предотвращает потерю крышки
- Термопара является неполным аналогом дТП025, ТХА/ТХК-2088, ТХА/ТХК-2388, ТХА/ТХК-0193
Монтаж:Для соединения термопар с измерительными приборами используются компенсационные провода (поставляются отдельно), например:
– ПТН-А;
– ПТНн-А;
– ПТНт-А;
– ПТНГт-А;
– ПТНЭ-А;
– ПТНГЭ-А;
– ПТНн-А;
– ПТНт-А;
– ПТНГт-А;
– ПТНЭ-А;
– ПТНГЭ-А;
– ПТНЭк-А;
– ПТНГЭк-А.
– ПТНГЭк-А.
Для подключения термопары необходимо пропустить провод через гермоввод, открутить винтовую крышку коммутационной головки и подключить провод с соблюдением полярности (см. фото коммутационной головки без крышки)
| Полярность | ХА(К) | ХК (L)
| ЖК (J)
| НН (N)
| ХКн (E)
| МКн (Т)
|
| «+» | красная жила
(хромель) | красная жила
(хромель) | красная жила
(железо) | красная жила
(нихросил) | красная жила
(хромель) | красная жила
(медь) |
| «−» | зеленая жила
(алюмель) | оранжевая жила
(копель) | синяя жила
(константан) | белая жила
(нисил) | черная жила
(константан) | коричневая жила
(константан) |
Показатели надежности и условия эксплуатации:– вероятность безотказной работы — не менее 0,95 за 16 000 ч;
– средний срок службы — не менее 4 лет;
– гарантийный срок эксплуатации — 2 года.
Устойчивость к внешним механическим воздействиям по ГОСТ Р 52931-2008 — группа V2.
Рабочие условия эксплуатации коммутационной головки:
– помещения с нерегулируемыми климатическими условиями и (или) навесы;
– относительная влажность не более 95% при +35°С и более низких температурах без конденсации влаги;
– атмосферное давление от 84 до 106,7 кПа.
Технические характеристики:
– средний срок службы — не менее 4 лет;
– гарантийный срок эксплуатации — 2 года.
Устойчивость к внешним механическим воздействиям по ГОСТ Р 52931-2008 — группа V2.
Рабочие условия эксплуатации коммутационной головки:
– помещения с нерегулируемыми климатическими условиями и (или) навесы;
– относительная влажность не более 95% при +35°С и более низких температурах без конденсации влаги;
– атмосферное давление от 84 до 106,7 кПа.
| Параметр | Значение | ||
| Номинальная статическая характеристика | ХА (К) – стандарт
ХК (L), ЖК (J), НН (N), ХКн (E), МКн (Т) – по заказу | ||
| Диапазон измеряемых температур | −40...+1100°С (для ХА(К))
| ||
| Условное давление
| 2,5 МПа
| ||
| Класс допуска датчика
| 1
| ||
| Допустимое отклонение
| ±2°С
| ||
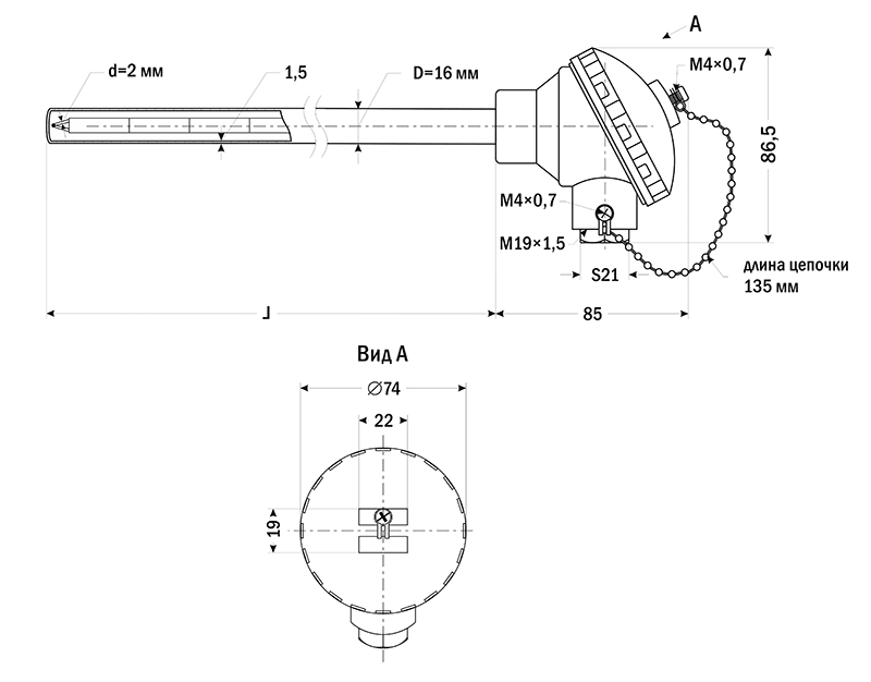
| Длина монтажной части (L)
| 500 мм, 800 мм, 1000 мм, 1250 мм – стандарт
60 мм, 80 мм, 100 мм, 120 мм, 160 мм, 180 мм, 200 мм, 250 мм, 320 мм, 400 мм, 630 мм, 1600 мм, 2000 мм – по заказу | ||
| Диаметр монтажной части (D) | 16 мм
| ||
| Диаметр термоэлектрода (d) | 2 мм | ||
| Тип спая
| изолированный
| ||
| Тепловая инерция
| ≤ 20 с
| ||
| Исполнение коммутационной головки
| металл
| ||
| Материал коммутационной головки | силумин | ||
| Материал корпуса датчика | нержавеющая сталь 08Х18Н10
| ||
| Степень защиты
| IP65
| ||
| Габаритные размеры |
![]() |
Предельные допустимые отклонения согласно ГОСТ Р 8.585-2001 (справочная таблица):
| Класс допуска | 1
| 2
| ||
| Тип | Диапазон измерения | Допустимые отклонения | Диапазон измерения | Допустимые
отклонения |
| ХА (К)
| −40...+375°С
| ±1,5°С
| −40...+333°С
| ±2,5°С
|
| +375...+1000°С
| ±0,004Т
| +333...+1300°С
| ±0,0075Т
| |
| ХК (L)
| – | – | −40...+360°С
| ±2,5°С
|
| – | – | +360...+800°С
| ±(0,7°С+0,005T)
| |
| ЖК (J)
| −40...+375°С
| ±1,5°С
| −40...+333°С
| ±2,5°С
|
| +375...+750°С
| ±0,004Т
| +333...+900°С
| ±0,0075Т
| |
| НН (N)
| −40...+375°С
| ±1,5°С
| −40...+333°С
| ±2,5°С
|
| +375...+1000°С
| ±0,004Т
| +333...+1300°С
| ±0,0075Т
| |
| ХКн (E)
| −40...+375°С
| ±1,5°С
| −40...+333°С
| ±2,5°С
|
| +375...+800°С
| ±0,004Т
| +333...+990°С
| ±0,0075Т
| |
| МКн (Т)
| −40...+125°С
| ±0,5°С
| −40...+135°С
| ±1,0°С
|
| +125...+350°С
| ±0,004Т
| +135...+350°С
| ±0,0075Т
| |
| ПП (S)
| 0...+1100°С
| ±1,0°С
| 0...+600°С
| ±1,5°С
|
| +1100...+1600°С
| ±(1,0+0,003(Т−1100))
| +600...+1600°С
| ±0,0025Т
| |
Т — абсолютное значение температуры измеряемой среды, °С.
Версия: 2022-02-05-ЛВС

