ИДДМ-12
Доступен для скачивания
краткий каталог продукции:
Индикатор-измеритель аналогового сигнала ИДДМ-12 предназначен для индикации давления, преобразованного в унифицированный сигнал постоянного тока 4…20 мА.
Прибор предназначен для использования в качестве местного индикатора в составе с преобразователями с выходным унифицированным двухпроводным сигналом 4…20 мА, снабженными сигнальным разъемом стандарта DIN 43650A.
Особенности:
- Настраиваемые диапазон измерения и количество точек после запятой
| Параметр
| Значение
| |
| Входной сигнал | 4...20 мА
| |
| Диапазон отображения физической величины
| −1999...9999
| |
| Погрешность преобразования
| ±0,1%
| |
| Падение напряжения на индикаторе | < 3 В | |
| Высота символов
| 9 мм
| |
| Температура окружающей среды | −20...+80°С | |
| Пылевлагозащита
| IP40
| |
| Тип присоединения и монтажа
| DIN 43650A
| |
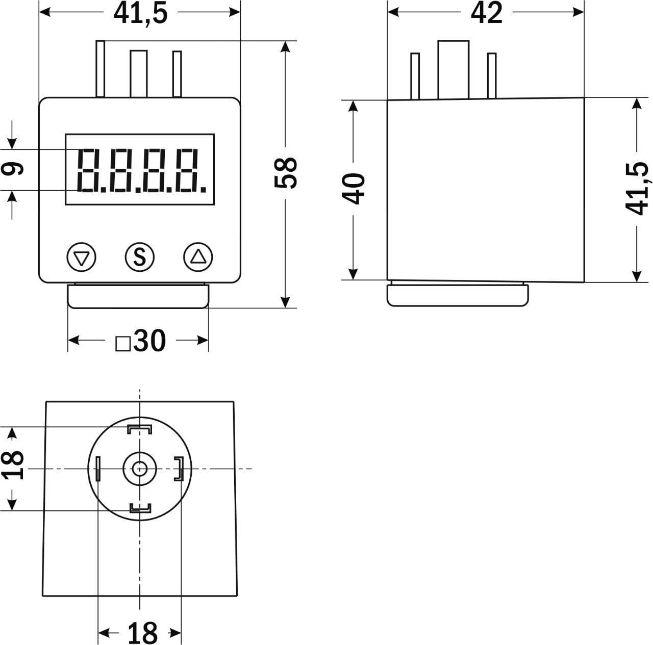
| Габаритные размеры
| 58×41,5×42 мм
| |
| Вес | 38 г | |
| Габаритные размеры |
|
Версия: 2023-07-26-КВА
| Документ | Дата обновления |
| Паспорт на ИДДМ-12 | 20.08.2023 |
